Chazon logo

Design center: Travelers Rest, South Carolina +1 (260) 820-1677

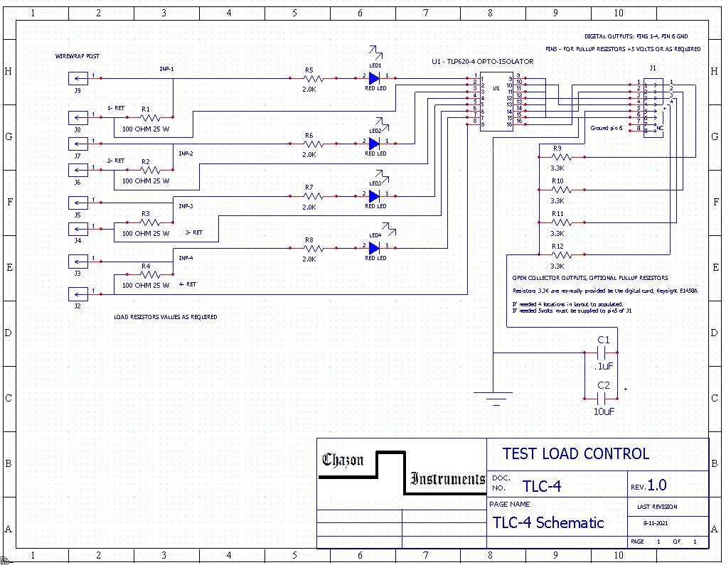
Chazon Instruments

TLC4 Schematic